Une sonde de température avec notre RaspMonitoring
Installation de la sonde
L'installation est extrêment simple. La seule difficulté est de ne pas se tromper dans le sens du branchement de votre capteur. Attention, celui-ci n'aime pas l'inversion de polarité !
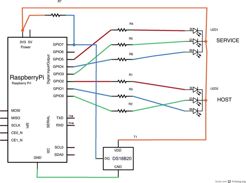
Je vous conseille le site de Yaug's Corner pour les instructions de montage. Pour ma part, j'ai juste installé la résistance sur ma plaque de montage et j'ai utilisé un ancien câble de lecteur de CD-ROM. Voici le schéma électrique, ci-dessous
Je vous conseille le site de Yaug's Corner pour les instructions de montage. Pour ma part, j'ai juste installé la résistance sur ma plaque de montage et j'ai utilisé un ancien câble de lecteur de CD-ROM. Voici le schéma électrique, ci-dessous
Le schéma électrique
Et le schéma de câblage.
La sonde sera rajoutée au montage existant
Détail de ma maquette
La sonde est à l'extérieur
La résistance est installé sur la plaque d'essai
Configuration du Raspberry
Si vous avez installé la dernière version de Raspbian, votre kernel Linux est à jour des modules qui vont bien pour la gestion des sondes de température. Il vous suffira de charger les modules requis pour cette sonde.
sudo modprobe w1-gpio sudo modprobe w1-therm
Si vous êtes en utilisateur pi, n'oubliez pas la commande sudo.
Retour à la normale
