Article en attente de mise à jour
Pourquoi un syslog ?
Syslog est un protocole permettant la centralisation des journaux d'événements provenant d'un ou plusieurs équipements informatiques. Les principaux avantages de ce système sont :
Centreon-Syslog est composé de deux modules
Pour aider à vous retrouver dans mes articles, voici les étapes à ne pas oublier pour la réussite de votre projet :
1 - Installation du serveur Syslog
2 - Installation du module Centreon Syslog Frontend
   2.1 - Mise à jour du module Centreon Syslog Frontend
   2.2 - Adaptation à Centreon 2.4x
3 - Installation de Centreon-Syslog 1.5
4 - Installation de Centreon Event To Syslog
- l'archivage des messages pour permettre la détection de dysfonctionnement,
- la traçabilité des événements nécessités, par exemple, par la Loi pour la Confiance dans l'Economie Numériques,
- la simplification de la tâche des administrateurs dans le cadre d'une centralisation des logs.
Centreon-Syslog est composé de deux modules
- un module Server rajoutant une base de données Mysql pour le stockage des logs,
- un module front-end à ajouter sur le serveur Centreon pour visualiser les logs.
Pour aider à vous retrouver dans mes articles, voici les étapes à ne pas oublier pour la réussite de votre projet :
1 - Installation du serveur Syslog
2 - Installation du module Centreon Syslog Frontend
   2.1 - Mise à jour du module Centreon Syslog Frontend
   2.2 - Adaptation à Centreon 2.4x
3 - Installation de Centreon-Syslog 1.5
4 - Installation de Centreon Event To Syslog
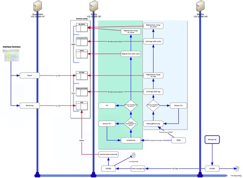
la maquette syslog
Syslog fonctionne en client-serveur, ce protocole utilise le port 514 pour communiquer. L'intérêt de syslog est de centraliser en un point tous les logs des différents équipements informatiques d'une infrastructure informatique. Syslog impose une certaine uniformité des messages. On utilisera pour cela, un programme nommé SYSLOG et plus particulèrement RSYSLOG utilisé en standard sur les distribution DEBIAN, principalement sur les systèmes UNIX et LINUX.
Je ne m'étendrais pas plus sur syslog, il y a suffisamment d'information sur le net à ce sujet.

Voici pour rappel, la maquette en cours de réalisation avec le serveur Syslog.
Je ne m'étendrais pas plus sur syslog, il y a suffisamment d'information sur le net à ce sujet.

Voici pour rappel, la maquette en cours de réalisation avec le serveur Syslog.
Interface Syslog pour Centreon
Il sera possible, moyennant l'installation d'un module, d'interroger le serveur Syslog dans l'interface Centreon. Un plugin nagios nous permettra de vérifier en permanence l'état des alertes dans le serveur Syslog.
Centraliser les événements Windows avec Syslog
Autre point important, l'extension Centreon E2S, permettant l'envoi des événements Windows vers un serveur syslog. Ce système nous permettra de centraliser tous les messages d'un réseau hétérogène (Windows, Linux, etc).
Passons à l'installation du serveur Syslog.
Passons à l'installation du serveur Syslog.
